风机水泵变频控制方案
目前由于许多风机、水泵的拖动电机处于恒速运转状态,而生产中的风、水流量要求处于变工况运行,造成大量的能源浪费。
性能特点:
1、风机水泵类负载为平方转矩负载,负载一般较平稳。
2、江特B1系列通用变频器在风机水泵上应用经济可靠,控制功能丰富。
3、起动平稳,适合大惯量负载调速。
4、内置PID算法。
5、自动节能运行。
6、多种V/F曲线可选。
7、瞬时停电再起动功能。
8、宽电压运行,允许电压波动范围:304V -456V。
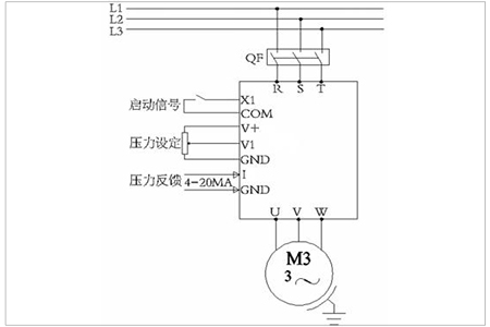
系统构成图:
1、1台变频器驱动1台电机。
2、变频器选用江特B1系列通用变频器。
3、采用自由停车方式,无需外接制动电阻。
启动信号:启动变频器运行调整流量。
压力设定:一般用电位器,设定管道所需压力/扬程。
压力反馈:压力传感器检测管道压力反馈给变频器做
自动调节,使实际压力等于设定压力。
应用领域:
石油化工、水泥、陶瓷、楼宇恒压供水、罗茨风机、钢化玻璃等领域。
